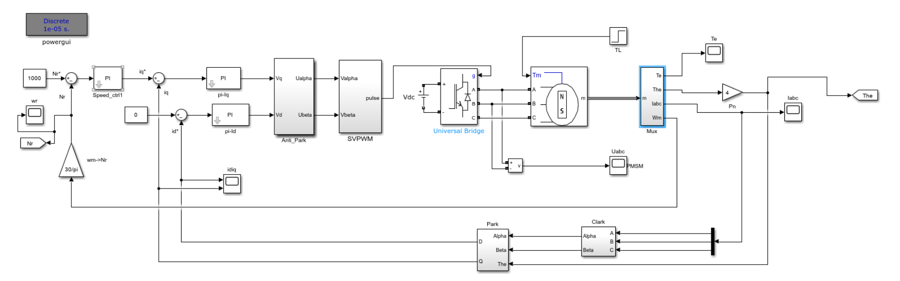
基于Simulink的永磁同步电机控制系统设计与仿真 发表于 2025/10/04 更新于 2025/11/04 作者 Zhou Heng 次浏览 1 分钟阅读 下面这篇pdf是我的本科毕业论文,当时天天在公司加班,没有多少时间搞实物,就搞了一下仿真,将FOC初浅的梳理了一下。 📄 下载PDF 您的浏览器不支持iframe,请点击这里在新窗口查看PDF文件。 文档笔记 Simulink PMSM FOC 本文由作者按照 CC BY 4.0 进行授权 分享