ZHOUHENG
随笔
文档笔记
项目
分享
关于
随笔
文档笔记
项目
分享
关于
基于Simulink的永磁同步电机控制系统设计与仿真
Written on October 4th, 2025 by Zhou Heng
© Zhou Heng
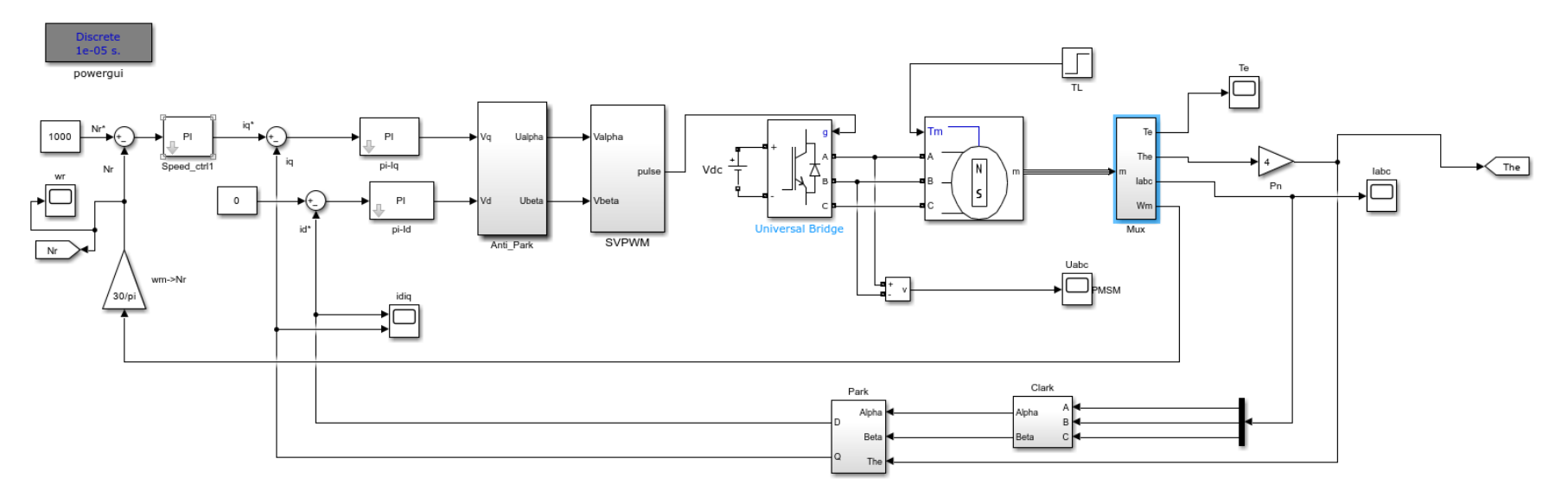
下面这篇pdf是我的本科毕业论文,当时天天在公司加班,没有多少时间搞实物,就搞了一下仿真,将FOC初浅的梳理了一下。
⚠️ 无法加载PDF预览,请下载文件查看:
📄 下载PDF文件
文件大小:未知
Feel free to share!
还有一点东西...
CDHD激光干涉仪测试脚本代码分享